Множественный выбор
Выбрать номинацию

Уединение

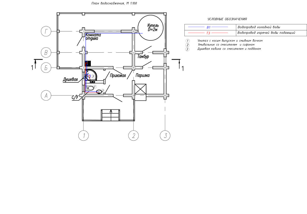
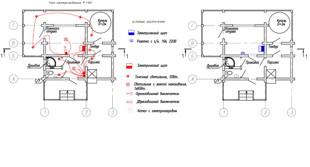
3D-модель представляет собой разработку концепции современной русской бани. Баня совмещает в себе традиции устройства бань и современные технологии и материалы.

Зонирование объекта

Зона бани (предбанник, парилка, купель).
Зона отдыха (комната отдыха и террасы).
Санитарные помещения (с/у, душевая).

Выставка конкурсных проектов
ВЫСТАВКА КРАСИВЫЕ ДОМА - 2026

ФОТОГАЛЕРЕЯ
ЭКСПОЗИЦИИ
КОНКУРСНЫХ
ПРОЕКТОВ

КАК ЭТО БЫЛО
Выставка конкурсных проектов проходит дважды в год (Весна | Осень)

Отзывы

Можно использовать **жирный**, *курсив*, [ссылку](https://example.com), списки через - или 1.
Пока отзывов нет. Будьте первым.